Технологическая схема кс

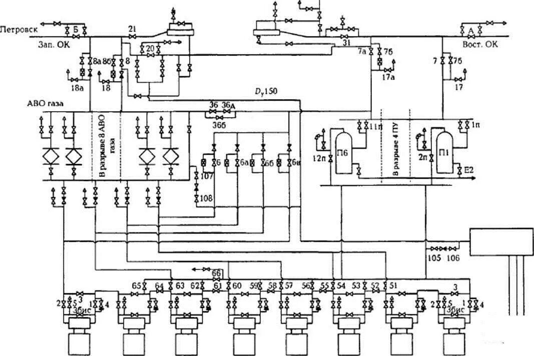
Технологическая схема компрессорной станции. Технологическая схема газокомпрессорной станции. Технологическая схема неполнонапорных нагнетателей. Технологическая схема кс. Принципиальная технологическая схема компрессорной станции.
Технологическая схема компрессорной станции. Технологическая схема газокомпрессорной станции. Технологическая схема неполнонапорных нагнетателей. Технологическая схема кс. Принципиальная технологическая схема компрессорной станции.
Принципиальная технологическая схема компрессорной станции. Принципиальная схема компрессорной станции газопровода. Схема компрессорной станции с полнонапорными нагнетателями. Принципиальная технологическая схема компрессорной станции. Технологическая схема компрессорного цеха.
Принципиальная технологическая схема компрессорной станции. Принципиальная схема компрессорной станции газопровода. Схема компрессорной станции с полнонапорными нагнетателями. Принципиальная технологическая схема компрессорной станции. Технологическая схема компрессорного цеха.
Принципиальная схема дожимной компрессорной станции. Схема топливного газа компрессорной станции. Газоперекачивающий агрегат гпа схема. Технологическая схема компрессорного цеха. Технологическая схема кс.
Принципиальная схема дожимной компрессорной станции. Схема топливного газа компрессорной станции. Газоперекачивающий агрегат гпа схема. Технологическая схема компрессорного цеха. Технологическая схема кс.
Принципиальная технологическая схема компрессорной станции. Газоперекачивающий агрегат принципиальная схема. Схема гпа на компрессорной станции. Технологическая схема кс. Технологическая схема кс.
Принципиальная технологическая схема компрессорной станции. Газоперекачивающий агрегат принципиальная схема. Схема гпа на компрессорной станции. Технологическая схема кс. Технологическая схема кс.
Схема компрессорной станции с полнонапорными нагнетателями. Технологическая схема кс с полнонапорными нагнетателями. Принципиальная технологическая схема компрессорной станции. Принципиальная схема дожимной компрессорной станции. Блок подготовки топливного и импульсного газа схема.
Схема компрессорной станции с полнонапорными нагнетателями. Технологическая схема кс с полнонапорными нагнетателями. Принципиальная технологическая схема компрессорной станции. Принципиальная схема дожимной компрессорной станции. Блок подготовки топливного и импульсного газа схема.
Технологическая схема компрессорной станции чертёж. Схема гпа на компрессорной станции. Технологическая схема кс. Компрессорная станция чертеж. Принципиальная технологическая схема компрессорной станции.
Технологическая схема компрессорной станции чертёж. Схема гпа на компрессорной станции. Технологическая схема кс. Компрессорная станция чертеж. Принципиальная технологическая схема компрессорной станции.
Технологическая схема газоперекачивающих агрегатов. Принципиальная технологическая схема компрессорной станции. Технологическая схема кс. Принципиальная технологическая схема компрессорной станции. Технологическая схема компрессорного цеха.
Технологическая схема газоперекачивающих агрегатов. Принципиальная технологическая схема компрессорной станции. Технологическая схема кс. Принципиальная технологическая схема компрессорной станции. Технологическая схема компрессорного цеха.
Газоперекачивающий агрегат гпа-10 схема. Принципиальная технологическая схема кс. Дожимная компрессорная станция технологическая схема. Технологическая схема кс. Технологическая схема кс-2,6.
Газоперекачивающий агрегат гпа-10 схема. Принципиальная технологическая схема кс. Дожимная компрессорная станция технологическая схема. Технологическая схема кс. Технологическая схема кс-2,6.
Схема компрессорной станции чертеж. Технологическая схема компрессорной станции. Схема узла подключения компрессорной станции. Технологическая схема компрессорной станции. Схема кс с параллельной обвязкой гпа.
Схема компрессорной станции чертеж. Технологическая схема компрессорной станции. Схема узла подключения компрессорной станции. Технологическая схема компрессорной станции. Схема кс с параллельной обвязкой гпа.
Схема гпа на компрессорной станции. Принципиальная технологическая схема компрессорной станции. Принципиальная схема компрессорной станции. Чертеж дожимной компрессорной станции. Принципиальная технологическая схема кс с параллельной обвязкой гпа.
Схема гпа на компрессорной станции. Принципиальная технологическая схема компрессорной станции. Принципиальная схема компрессорной станции. Чертеж дожимной компрессорной станции. Принципиальная технологическая схема кс с параллельной обвязкой гпа.
Технологическая схема компрессорной станции. Технологическая схема компрессорной станции. Принципиальная технологическая схема компрессорной станции. Технологическая схема кс. Технологическая схема газокомпрессорной станции.
Технологическая схема компрессорной станции. Технологическая схема компрессорной станции. Принципиальная технологическая схема компрессорной станции. Технологическая схема кс. Технологическая схема газокомпрессорной станции.
Принципиальная технологическая схема компрессорной станции. Технологическая схема кс. Принципиальная технологическая схема компрессорной станции. Технологическая схема компрессорной станции чертёж. Схема гпа 32 ладога.
Принципиальная технологическая схема компрессорной станции. Технологическая схема кс. Принципиальная технологическая схема компрессорной станции. Технологическая схема компрессорной станции чертёж. Схема гпа 32 ладога.
Технологическая схема компрессорного цеха. Технологическая схема компрессорной станции. Принципиальная технологическая схема компрессорной станции. Принципиальная технологическая схема кс с поршневыми гпа. Принципиальная схема компрессорного цеха.
Технологическая схема компрессорного цеха. Технологическая схема компрессорной станции. Принципиальная технологическая схема компрессорной станции. Принципиальная технологическая схема кс с поршневыми гпа. Принципиальная схема компрессорного цеха.
Схема компрессорной станции с полнонапорными нагнетателями. Технологическая схема кс. Технологическая схема газокомпрессорной станции. Технологическая схема кс. Схема компрессорной станции с полнонапорными нагнетателями.
Схема компрессорной станции с полнонапорными нагнетателями. Технологическая схема кс. Технологическая схема газокомпрессорной станции. Технологическая схема кс. Схема компрессорной станции с полнонапорными нагнетателями.
Технологическая схема кс. Схема участка кс. Технологическая схема кс. Технологическая схема кс. Технологическая схема компрессорной станции.
Технологическая схема кс. Схема участка кс. Технологическая схема кс. Технологическая схема кс. Технологическая схема компрессорной станции.
Технологическая схема кс. Блок импульсного газа схема автоматизации. Технологическая схема кс. Схема компрессорной станции магистрального газопровода. Схема кс.
Технологическая схема кс. Блок импульсного газа схема автоматизации. Технологическая схема кс. Схема компрессорной станции магистрального газопровода. Схема кс.
Технологическая схема компрессорной станции. Технологическая схема газоперекачивающих агрегатов. Принципиальная технологическая схема компрессорной станции. Схема компрессорной станции магистрального газопровода. Технологическая схема газоперекачивающих агрегатов.
Технологическая схема компрессорной станции. Технологическая схема газоперекачивающих агрегатов. Принципиальная технологическая схема компрессорной станции. Схема компрессорной станции магистрального газопровода. Технологическая схема газоперекачивающих агрегатов.
Технологическая схема кс. Технологическая схема кс. Технологическая схема компрессорной станции. Технологическая схема компрессорной станции чертёж. Схема гпа на компрессорной станции.
Технологическая схема кс. Технологическая схема кс. Технологическая схема компрессорной станции. Технологическая схема компрессорной станции чертёж. Схема гпа на компрессорной станции.
Технологическая схема компрессорной станции чертёж. Технологическая схема компрессорной станции. Технологическая схема кс. Технологическая схема кс. Технологическая схема компрессорной станции чертёж.
Технологическая схема компрессорной станции чертёж. Технологическая схема компрессорной станции. Технологическая схема кс. Технологическая схема кс. Технологическая схема компрессорной станции чертёж.
Схема компрессорной станции. Схема кс. Принципиальная схема дожимной компрессорной станции. Газоперекачивающий агрегат гпа схема. Схема компрессорной станции магистрального газопровода.
Схема компрессорной станции. Схема кс. Принципиальная схема дожимной компрессорной станции. Газоперекачивающий агрегат гпа схема. Схема компрессорной станции магистрального газопровода.